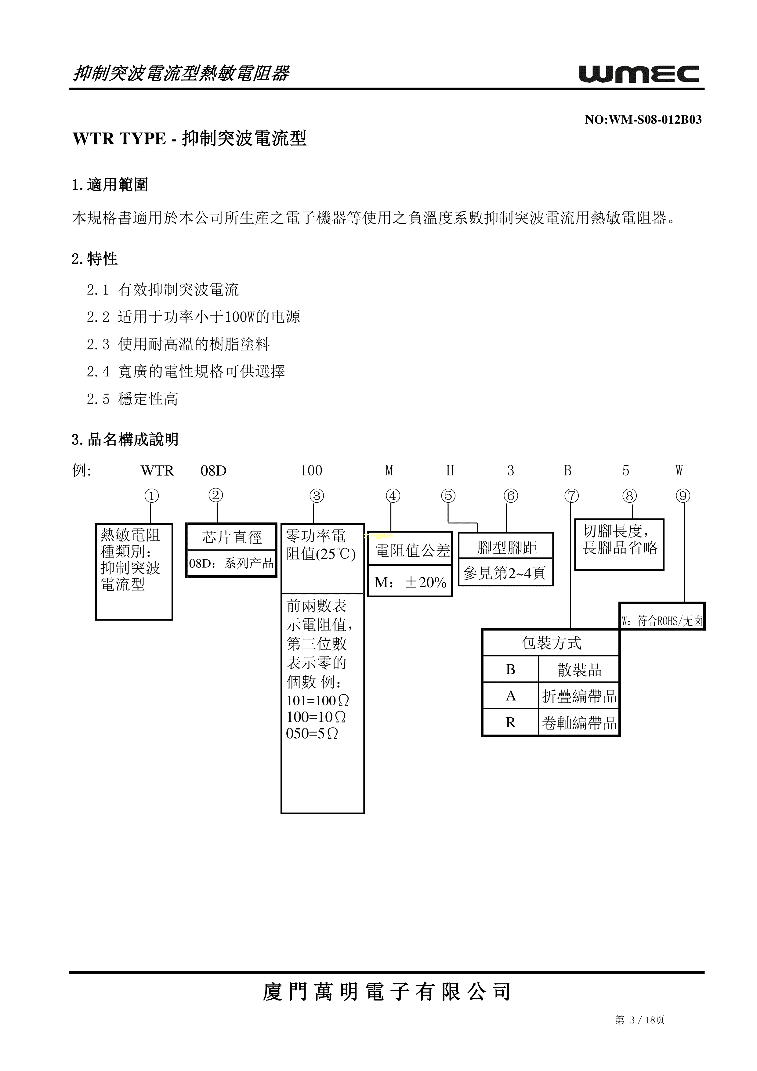
WTR08D030MC2BW数据手册ThroughHole封装WMEC(万明)PDF规格书,中英文下载
- 2022-08-25 21:49:00
- zxj 原创
- 57
发表评论
页尾说明
|
移动访问
|