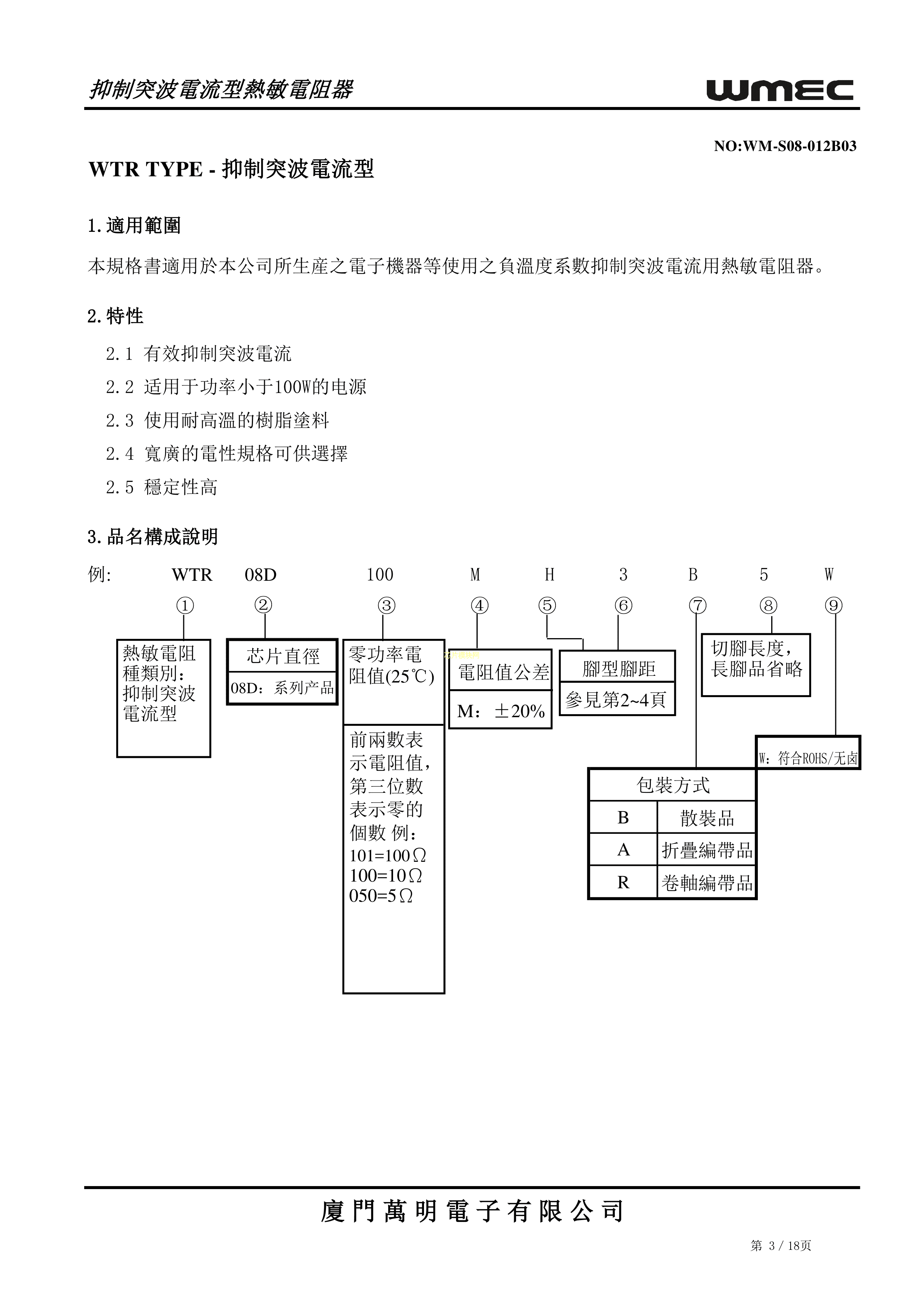
WTR20D2R5ME4B3.5L-线径非标数据手册径向引线P7.5mm封装WMEC(万明)PDF规格书,中英文下载
- 2022-08-27 09:28:00
- zxj 原创
- 51
发表评论
页尾说明
|
移动访问
|