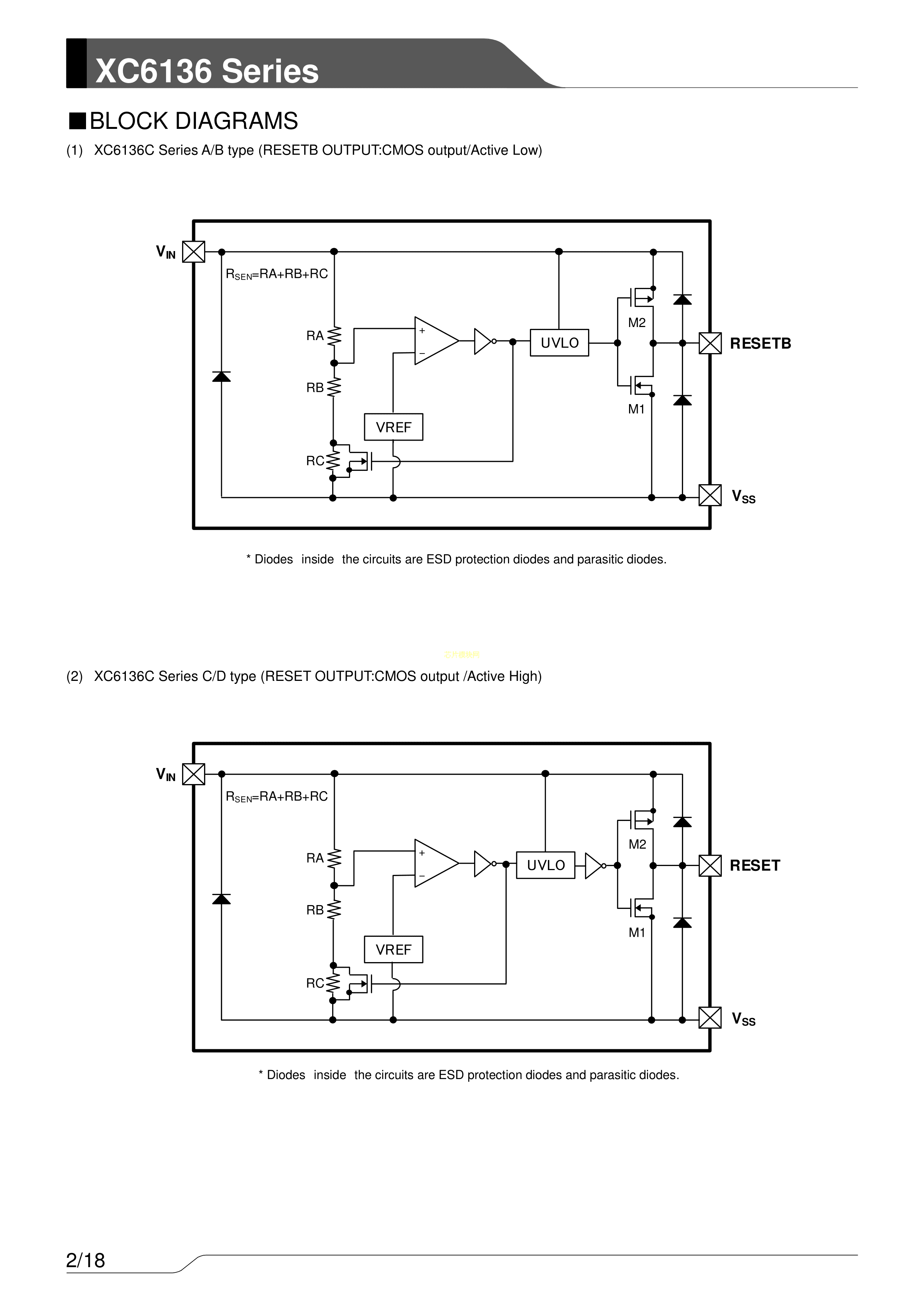
XC6136C12B9R-G数据手册USPQ-4B05封装TOREX(特瑞仕)PDF规格书,中英文下
- 2022-07-31 18:44:00
- zxj 原创
- 21
发表评论
页尾说明
|
移动访问
|