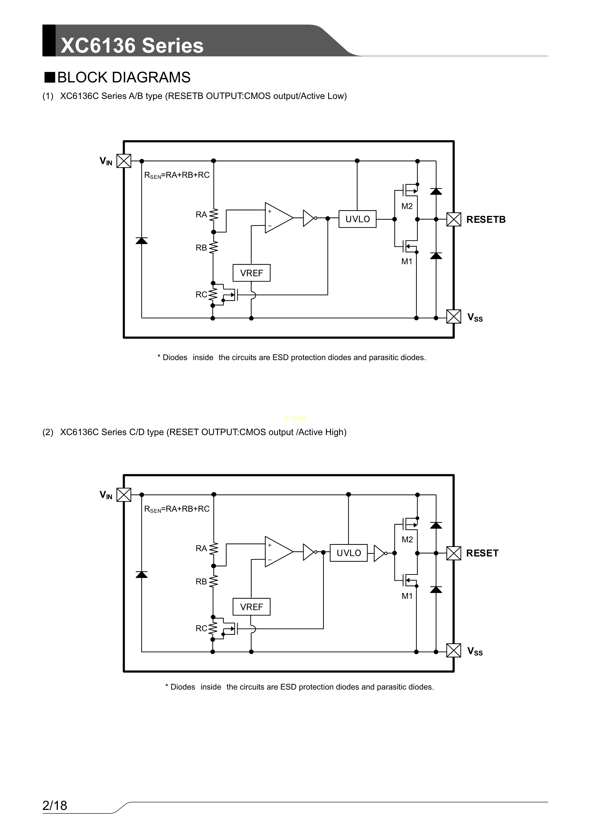
XC6136C46CMR-G数据手册SOT-25封装TOREX(特瑞仕)PDF规格书,中英文下载
- 2022-07-26 16:35:00
- zxj 原创
- 7
发表评论
页尾说明
|
移动访问
|