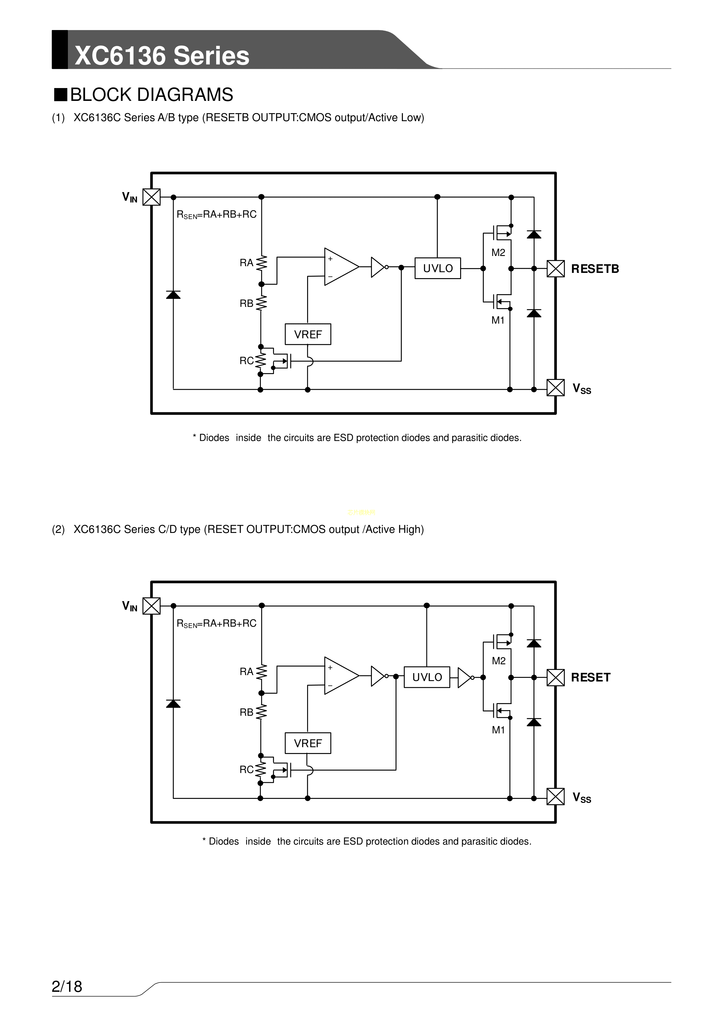
XC6136N37DMR-G数据手册SOT-25封装TOREX(特瑞仕)PDF规格书,中英文下载
- 2022-08-08 17:00:00
- zxj 原创
- 12
发表评论
页尾说明
|
移动访问
|