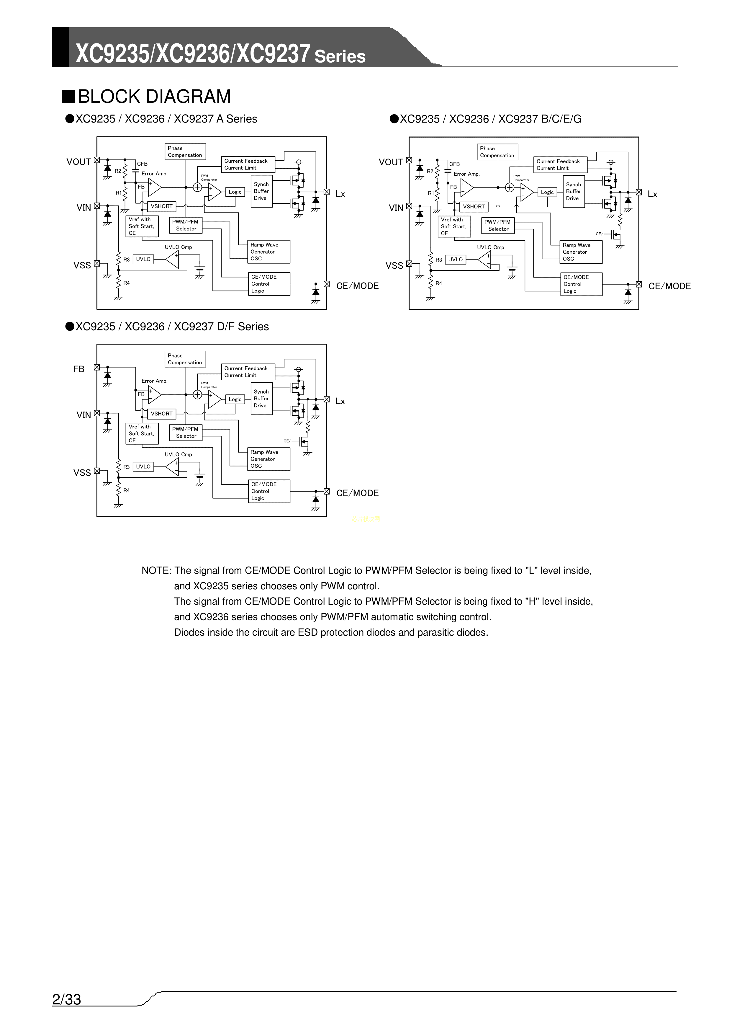
XC9235C38DMR-G数据手册SOT-25封装TOREX(特瑞仕)PDF规格书,中英文下载
- 2022-07-24 06:33:00
- zxj 原创
- 101
发表评论
页尾说明
|
移动访问
|