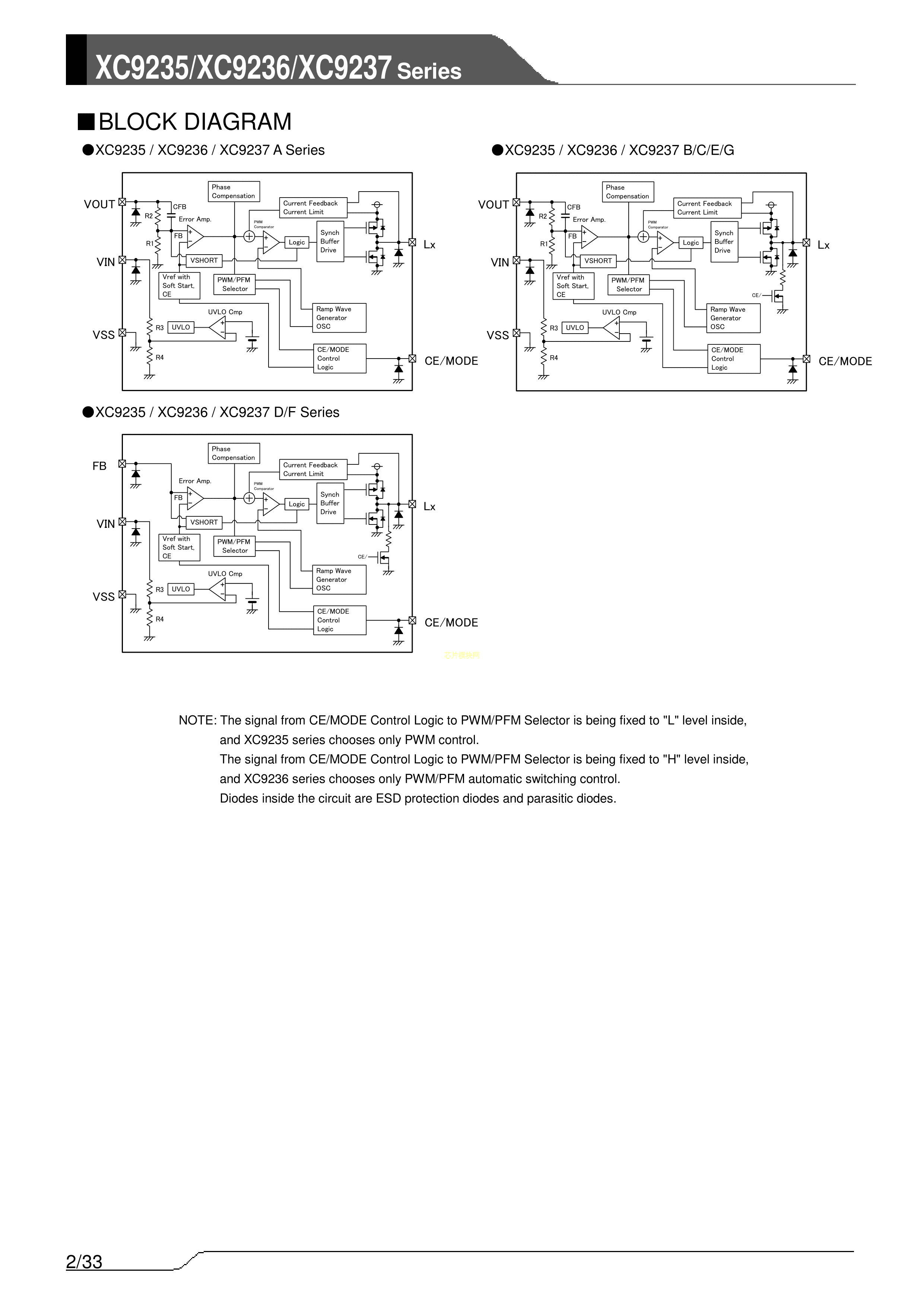
XC9236A3BD0R-G数据手册WLP-5-03封装TOREX(特瑞仕)PDF规格书,中英文下载
- 2022-07-15 03:05:00
- zxj 原创
- 9
发表评论
页尾说明
|
移动访问
|