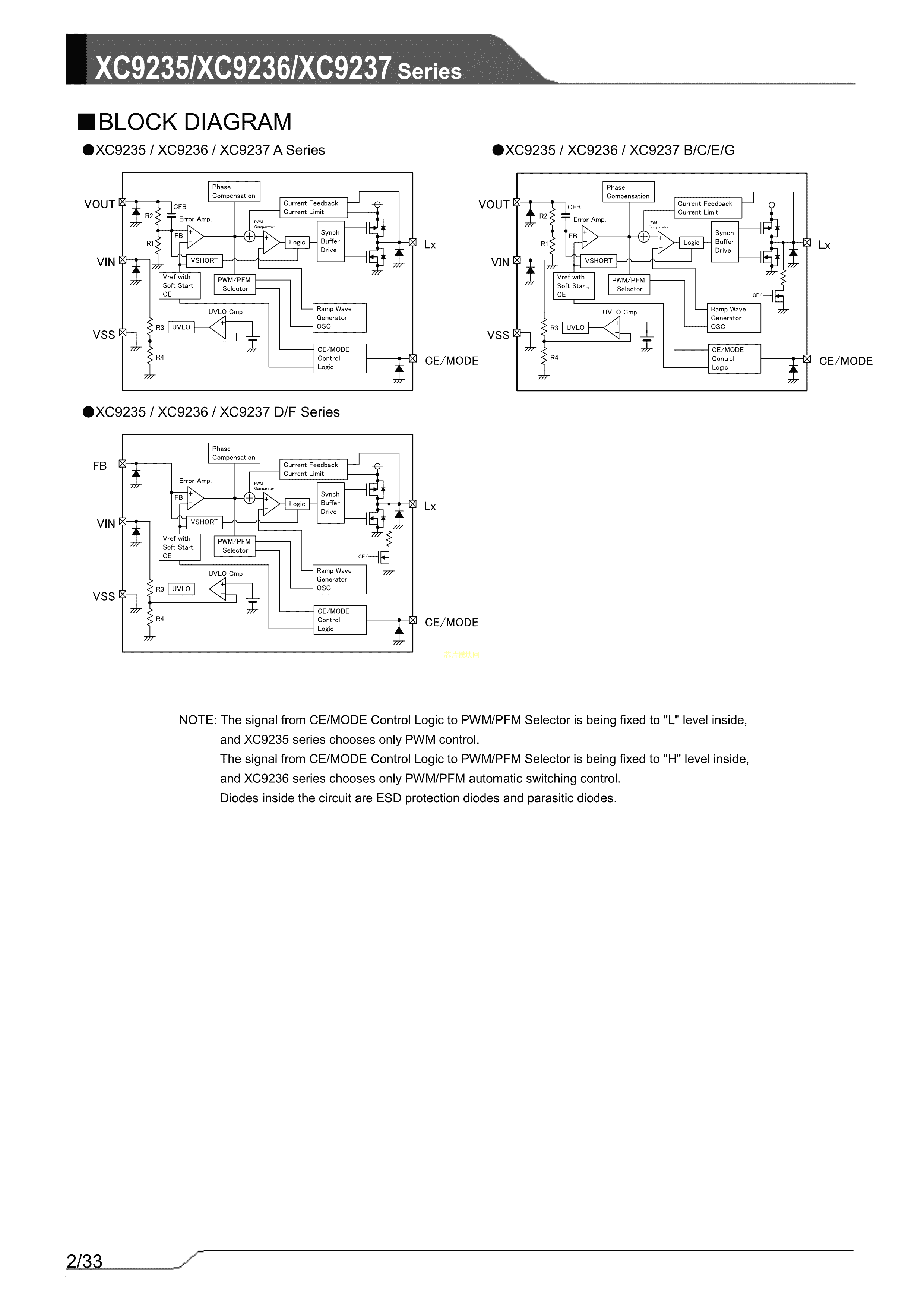
XC9236B40D0R-G数据手册WLP-5-03封装TOREX(特瑞仕)PDF规格书,中英文下载
- 2022-07-22 11:30:00
- zxj 原创
- 3
发表评论
页尾说明
|
移动访问
|