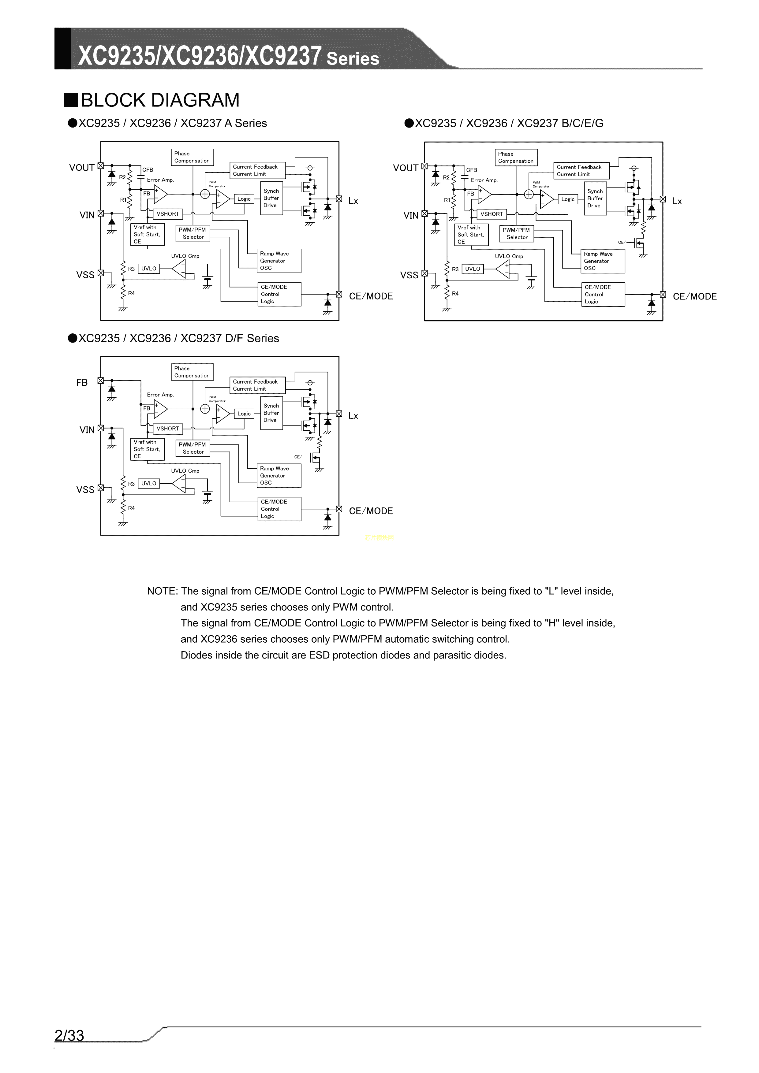
XC9236C0MDER-G数据手册USPC-6(1.8x2)封装TOREX(特瑞仕)PDF规格书,
- 2022-07-22 11:31:00
- zxj 原创
- 3
发表评论
页尾说明
|
移动访问
|