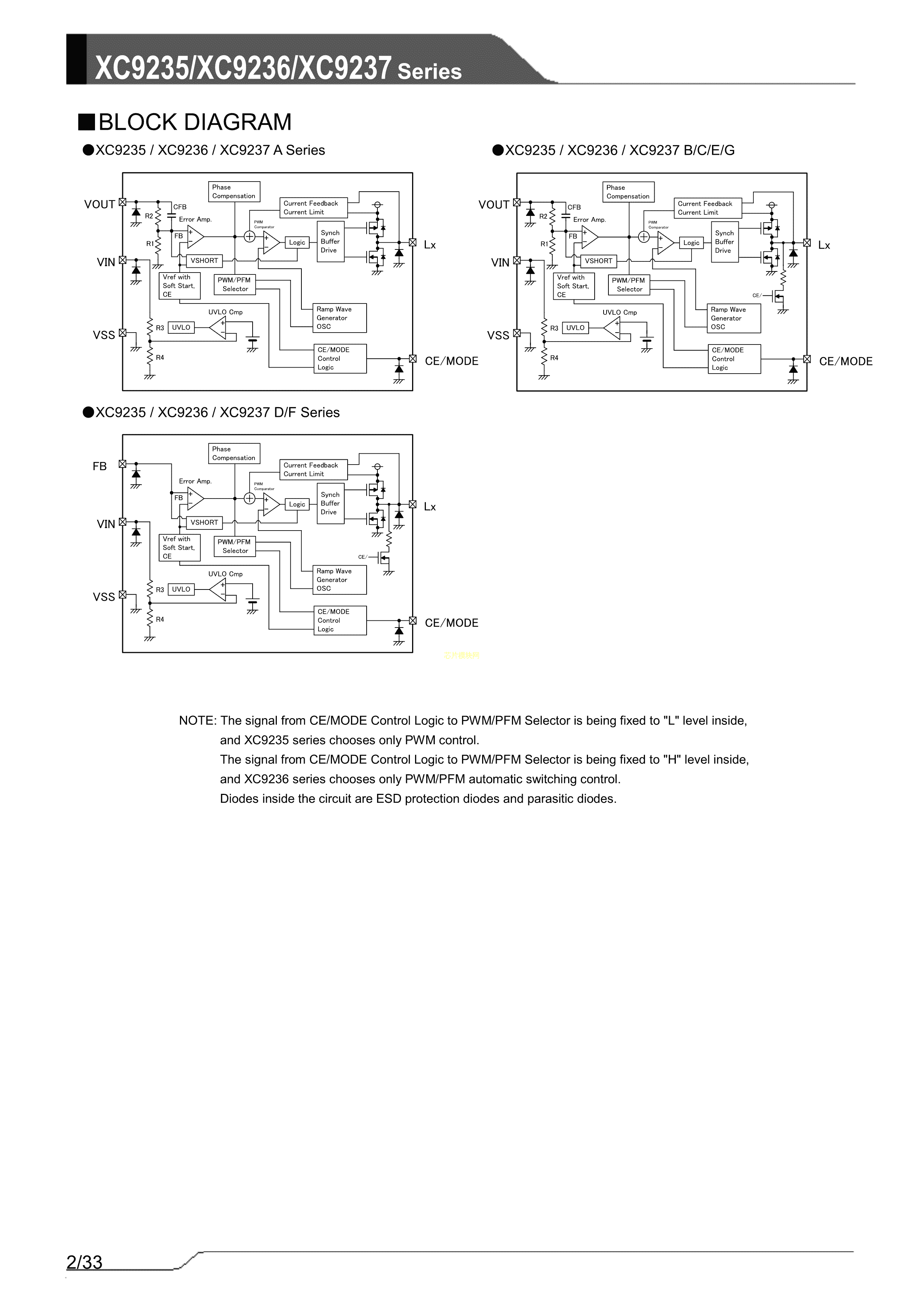
XC9236C11DMR-G数据手册SOT-25封装TOREX(特瑞仕)PDF规格书,中英文下载
- 2022-07-22 11:51:00
- zxj 原创
- 3
发表评论
页尾说明
|
移动访问
|