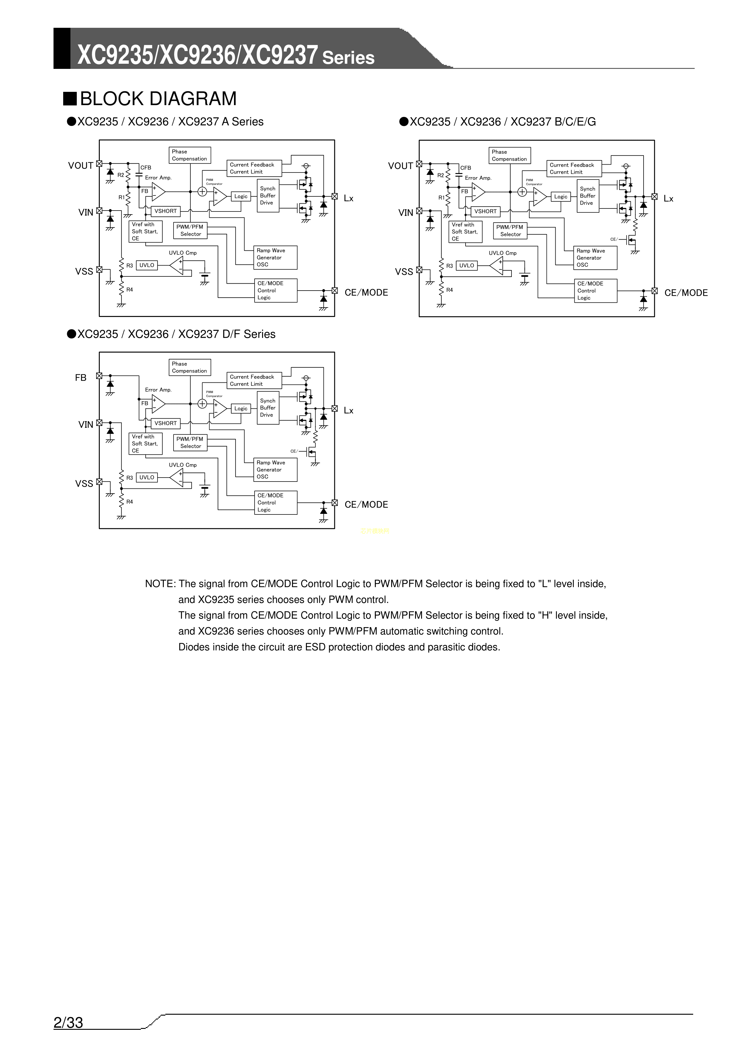
XC9236G1MC4R-G数据手册USPEL-6(1.8x2)封装TOREX(特瑞仕)PDF规格书
- 2022-07-18 23:19:00
- zxj 原创
- 21
发表评论
页尾说明
|
移动访问
|