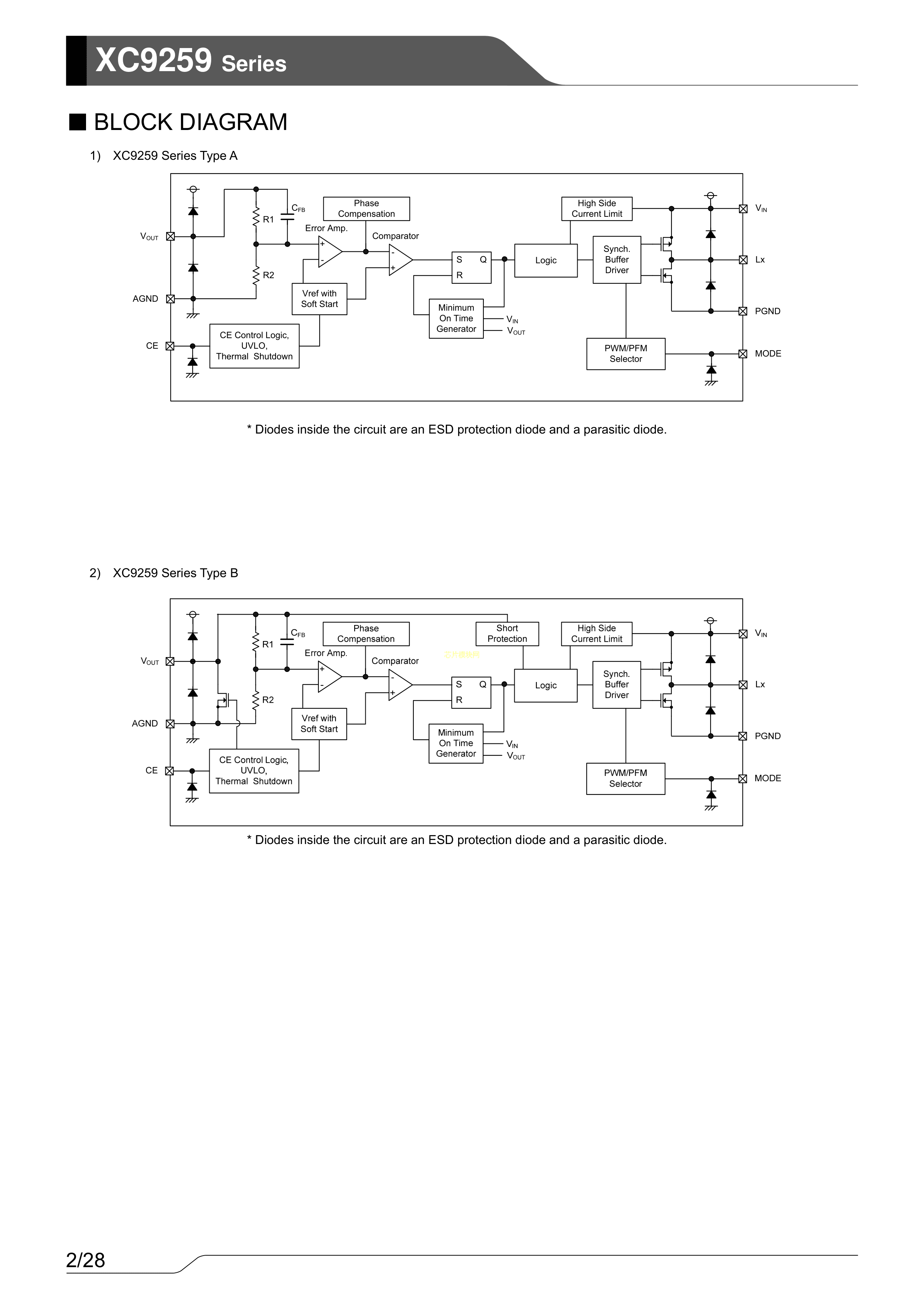
XC9259A2LC1R-G数据手册LGA-8B01封装TOREX(特瑞仕)PDF规格书,中英文下载
- 2022-07-18 12:18:00
- zxj 原创
- 16
发表评论
页尾说明
|
移动访问
|