登录
注册
积分充值
简
繁
En
首页
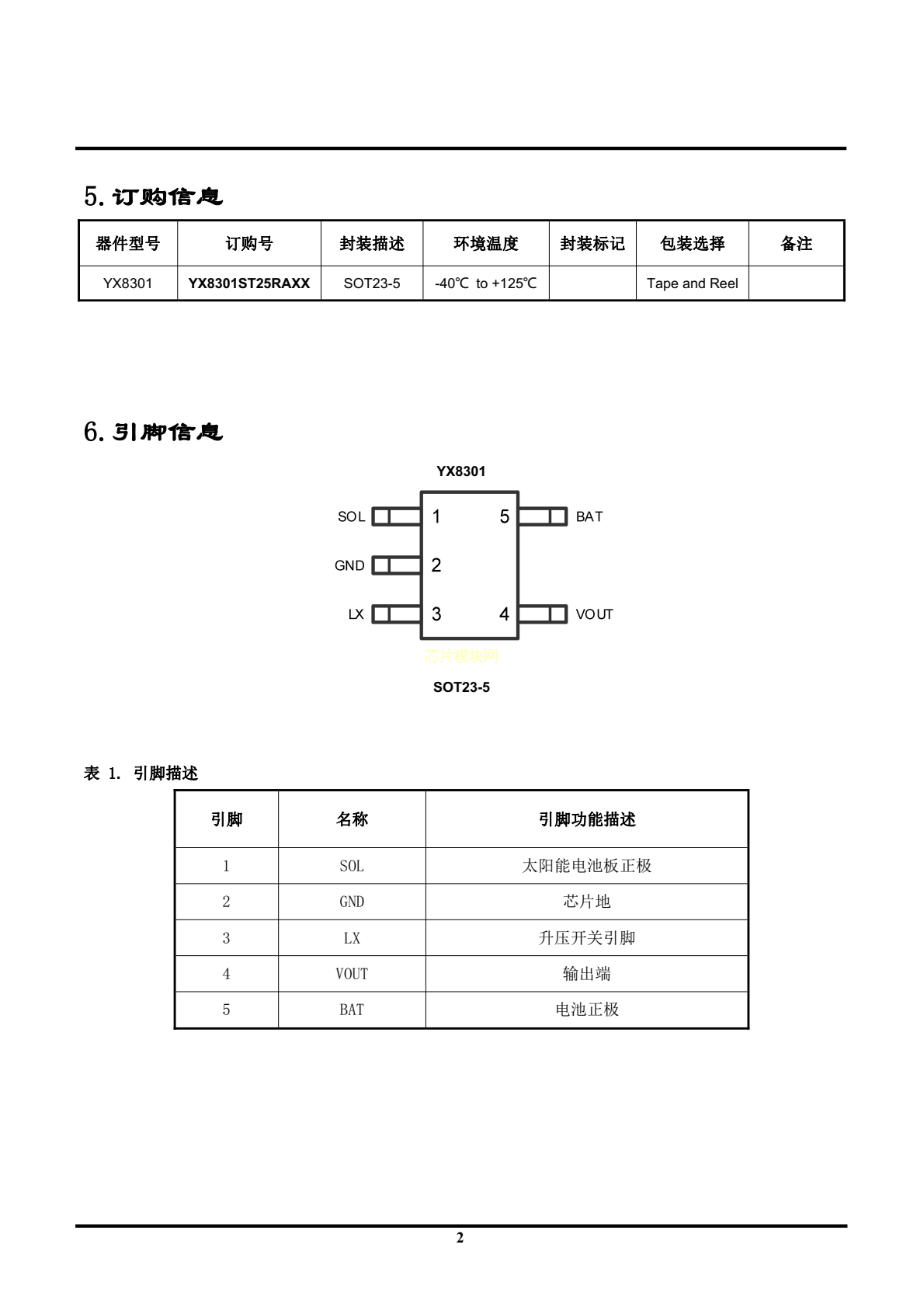
芯片数据手册
芯片技术论坛
芯片应用
芯片模块商城
当前位置:
首页
规格书
YX8301 PDF规格书,中英文下载
YX8301 PDF规格书,中英文下载
2022-11-19 16:06:00
杨工
原创
614
YX8301.pdf
243
发表评论
称呼
邮箱
接收邮件提醒
内容
评论通过审核后显示。
页尾说明
移动访问