登录
注册
积分充值
简
繁
En
首页
芯片数据手册
芯片技术论坛
芯片应用
芯片模块商城
当前位置:
首页
文章投放
文章投放
时间
热度
48
2022-08-25
XYC-PT333B-L1数据手册ThroughHole封装NEWOPTO(鑫永诚光电)PDF规格书,中英文下载
137
2022-08-25
XYC-PT67C-L1数据手册SMD3.5x2.8x1.9mm封装NEWOPTO(鑫永诚光电)PDF规格书,中英文下载
153
2022-08-25
XYC-PT21C-L1数据手册1206封装NEWOPTO(鑫永诚光电)PDF规格书,中英文下载
37
2022-08-25
XYC-PT17B-L1数据手册0805封装NEWOPTO(鑫永诚光电)PDF规格书,中英文下载
94
2022-08-25
XW12A数据手册SSOP-24封装Samwing(芯网)PDF规格书,中英文下载
58
2022-08-25
XW09B数据手册SOP-16封装Samwing(芯网)PDF规格书,中英文下载
75
2022-08-25
XW08B数据手册SOP-24封装Samwing(芯网)PDF规格书,中英文下载
186
2022-08-25
XW05B数据手册SOP-16封装Samwing(芯网)PDF规格书,中英文下载
53
2022-08-25
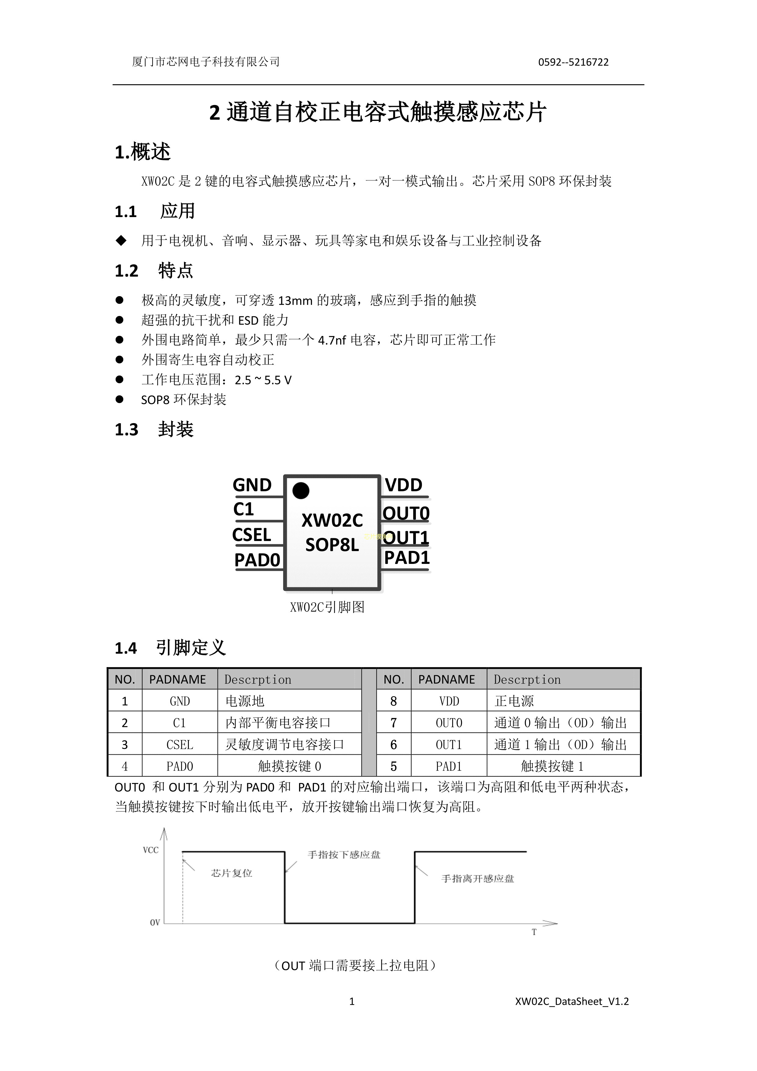
XW02C数据手册SOP-8封装Samwing(芯网)PDF规格书,中英文下载
43
2022-08-25
XW01D数据手册SO-8封装Samwing(芯网)PDF规格书,中英文下载
65
2022-08-25
XC3202B183ZR-G数据手册QFN-6-0601(2x2)封装TOREX(特瑞仕)PDF规格书,中英文下载
115
2022-08-25
W-TRS-5.5数据手册TO-46封装HINOVAIC(创芯海微)PDF规格书,中英文下载
59
2022-08-25
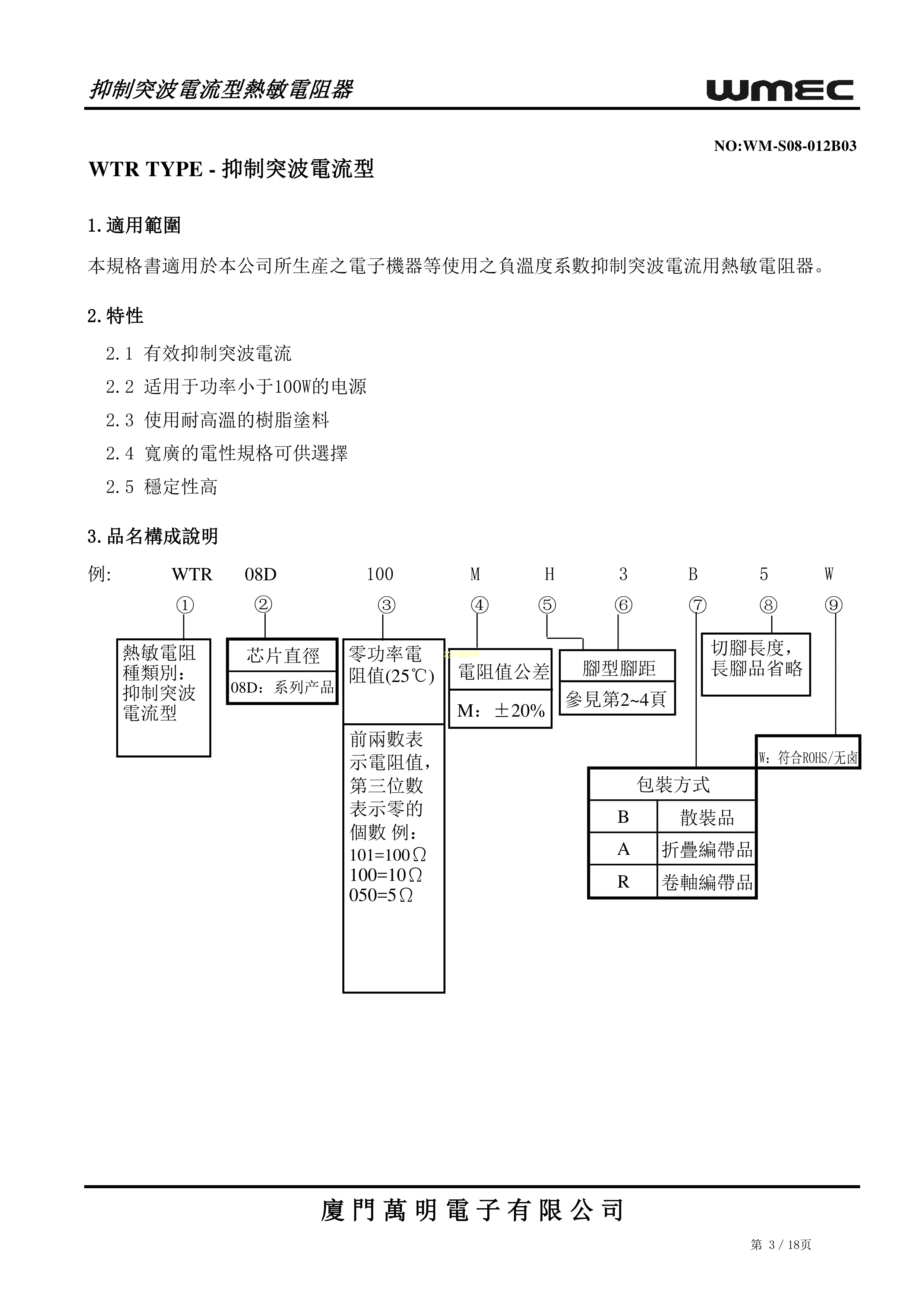
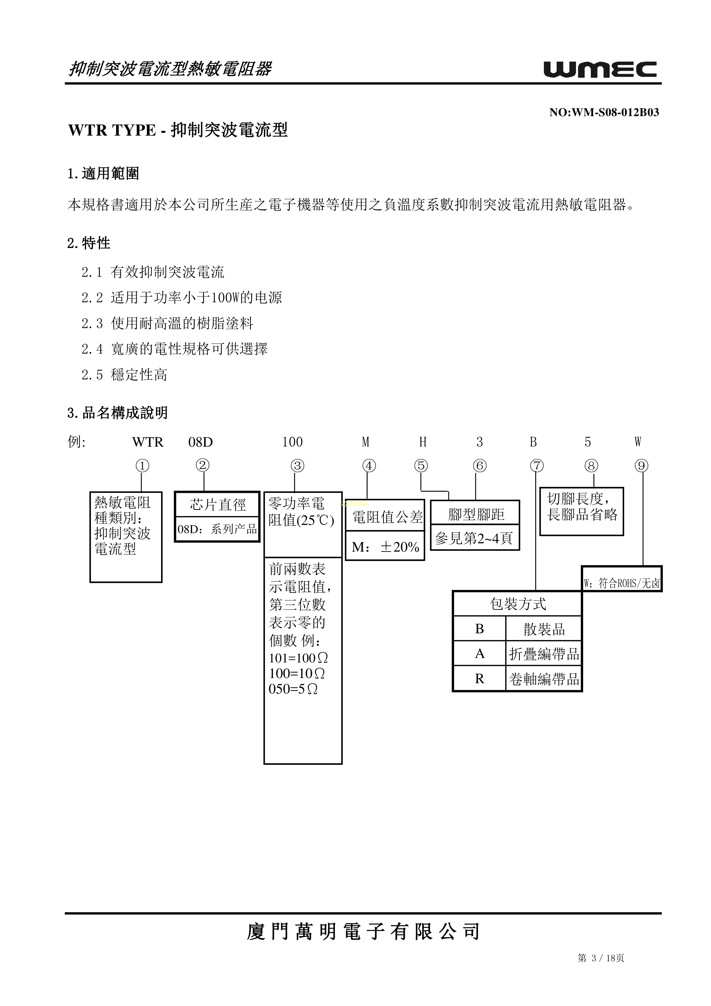
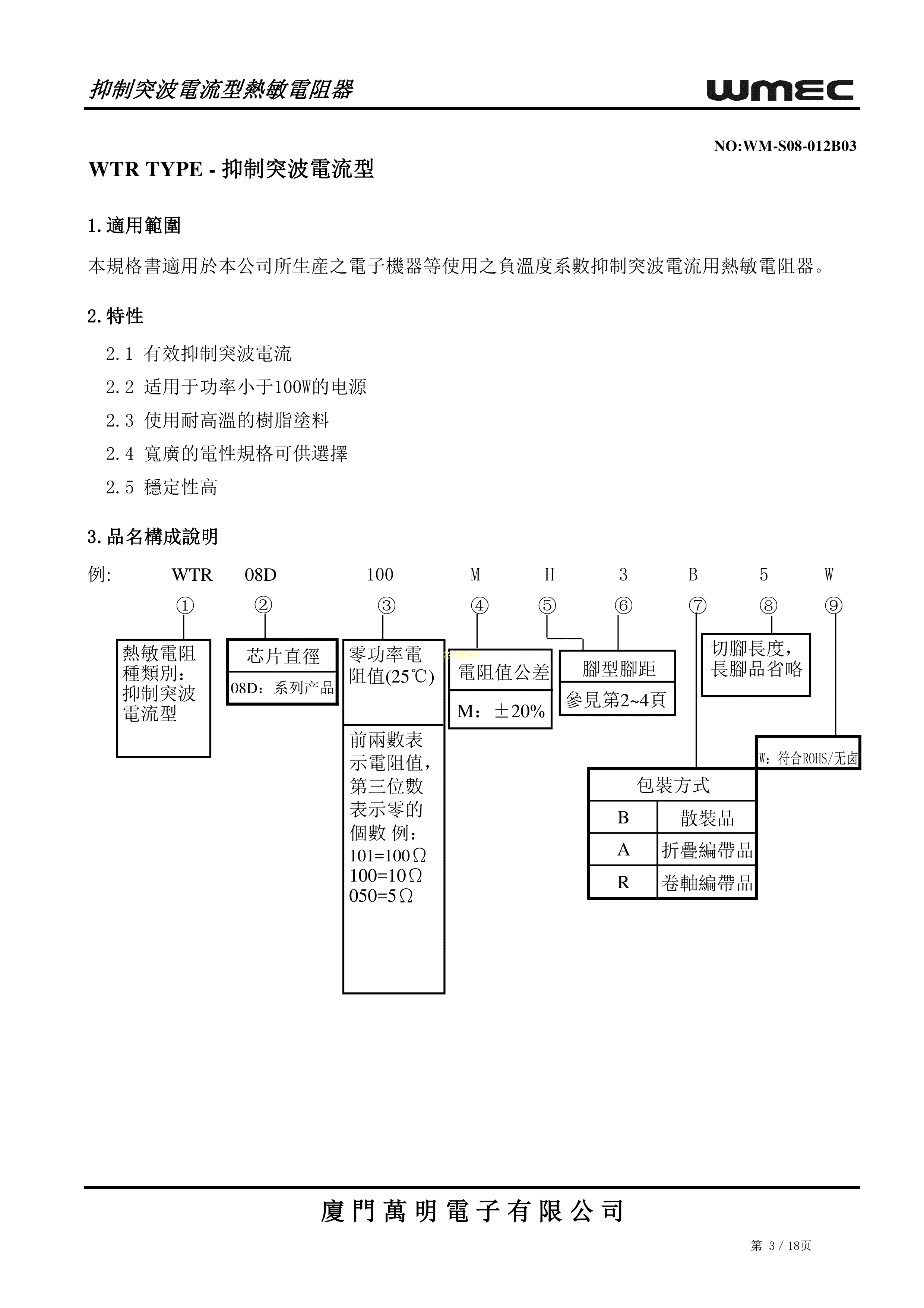
WTR15D050MC3B3.5W数据手册径向引线P7.5mm封装WMEC(万明)PDF规格书,中英文下载
40
2022-08-25
WTR13D050MC3B3.5W数据手册径向引线P7.5mm封装WMEC(万明)PDF规格书,中英文下载
60
2022-08-25
WTR08D050MD2BW数据手册径向引线P5mm封装WMEC(万明)PDF规格书,中英文下载
53
2022-08-25
WTR08D030MC2BW数据手册ThroughHole封装WMEC(万明)PDF规格书,中英文下载
58
2022-08-25
WMZY1-211C数据手册插件封装Tyohm(幸亚电阻)PDF规格书,中英文下载
42
2022-08-25
WMZY1-207数据手册插件封装Tyohm(幸亚电阻)PDF规格书,中英文下载
41
2022-08-25
WMZ12A-130L501NUU500B20-E6B数据手册径向引线P5mm封装Tyohm(幸亚电阻)PDF规格书,中英文下载
52
2022-08-25
WMZ12A-130A20RMUU120B4.2-G6B数据手册径向引线P5mm封装Tyohm(幸亚电阻)PDF规格书,中英文下载
66
2022-08-25
WMZ12A-125L472MSP800B20-E5B数据手册径向引线P5mm封装Tyohm(幸亚电阻)PDF规格书,中英文下载
97
2022-08-25
WMZ12A-115SL15RMUP130B3.5-G6B数据手册径向引线P5mm封装Tyohm(幸亚电阻)PDF规格书,中英文下载
44
2022-08-25
WMZ12A-115A200-400AP020B3.5-E6B数据手册径向引线P5mm封装Tyohm(幸亚电阻)PDF规格书,中英文下载
72
2022-08-25
WMZ12A-108B35RMAU070B3.5-E6B数据手册径向引线P5mm封装Tyohm(幸亚电阻)PDF规格书,中英文下载
54
2022-08-25
WMZ12A-95LB70RMUP025B10-G6B数据手册径向引线P5mm封装Tyohm(幸亚电阻)PDF规格书,中英文下载
41
2022-08-25
WMZ12A-85LB50RMUP030B3.3-E6B数据手册径向引线P5mm封装Tyohm(幸亚电阻)PDF规格书,中英文下载
45
2022-08-25
WMZ12A-85LB20-50UP030B3.5-E6B数据手册径向引线P5mm封装Tyohm(幸亚电阻)PDF规格书,中英文下载
61
2022-08-25
WMZ12A-85LB10RMAP150B3.5-H6B数据手册径向引线P5mm封装Tyohm(幸亚电阻)PDF规格书,中英文下载
63
2022-08-25
WMZ12A-85B70RMUU030B3.3-G6B数据手册径向引线P5mm封装Tyohm(幸亚电阻)PDF规格书,中英文下载
53
2022-08-25
WMZ12A-85A70RMUU025B3.5-G6B数据手册径向引线P5mm封装Tyohm(幸亚电阻)PDF规格书,中英文下载
页尾说明
移动访问