登錄
註冊
積分充值
简
繁
En
首頁
芯片數據手冊
芯片技術論罎
芯片應用
芯片模塊商城
當前位置:
首頁
文章投放
文章投放
時間
熱度
245
2022-10-20
CS8683H PDF規格書,中英文下載
594
2022-10-20
CS8676E PDF規格書,中英文下載
306
2022-10-20
CS8536E PDF規格書,中英文下載
663
2022-10-20
CS8516E PDF規格書,中英文下載
254
2022-10-20
CS8508E PDF規格書,中英文下載
288
2022-10-20
CS8389E PDF規格書,中英文下載
273
2022-10-20
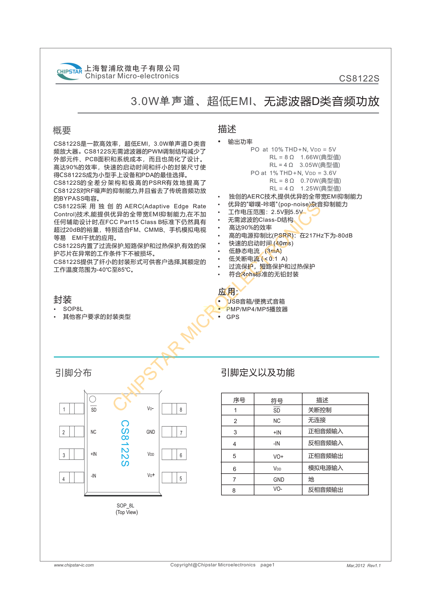
CS8122S PDF規格書,中英文下載
220
2022-10-20
CS5711R PDF規格書,中英文下載
214
2022-10-20
CS5523R PDF規格書,中英文下載
327
2022-10-20
CS5515R PDF規格書,中英文下載
465
2022-10-20
CS5350E PDF規格書,中英文下載
413
2022-10-20
CS5328E PDF規格書,中英文下載
236
2022-10-20
CS5266E PDF規格書,中英文下載
461
2022-10-20
CS5095EA PDF規格書,中英文下載
1939
2022-10-19
CS5090EA PDF規格書,中英文下載
301
2022-10-19
CS5036E PDF規格書,中英文下載
346
2022-10-19
CS5006S PDF規格書,中英文下載
319
2022-10-19
CS3157S PDF規格書,中英文下載
317
2022-10-18
MCP6S21,MCP6S22,MCP6S26,MCP6S28規格書,品牌微芯
1857
1
2022-10-18
XPD730繫列,富滿品牌快充規格書
386
2022-10-18
CH221K芯片規格書
365
2022-10-14
IP6525S快充輸齣芯片
456
2022-10-08
PW1558是3V-24V可調限流過壓,短路保護芯片
490
2022-09-28
PW4203A規格書,單節的4.2V和4.35V充電管理
380
2022-09-17
CN3059芯片模塊的DEMO,PCB,電路圖設計文件
642
2022-09-16
CN3058E芯片模塊的DEMO,PCB,電路圖設計文件
338
2022-09-13
AO3415PDF規格書,中英文下載
375
2022-09-13
2N7002KPDF規格書,中英文下載
393
2022-09-09
STM8S003F3P6(1).PDFPDF規格書,中英文下載
635
2022-09-09
SGM3718(1)PDF規格書,中英文下載
頁尾説明
移動訪問