登录
注册
积分充值
简
繁
En
首页
芯片数据手册
芯片技术论坛
芯片应用
芯片模块商城
当前位置:
首页
芯片应用
芯片应用
时间
热度
456
2023-04-23
PW2163-芯片测试数据
PW2163-芯片测试数据
364
2023-04-23
PW2162-芯片测试数据
PW2162-芯片测试数据
369
2023-04-23
PW2058 -芯片测试数据
PW2058 -芯片测试数据
328
2023-04-23
PW2053-芯片测试数据
PW2053-芯片测试数据
282
2023-04-23
PW2052B-芯片测试数据
281
2023-04-23
PW2052-芯片测试数据
PW2052-芯片测试数据
332
2023-04-23
PW2051-芯片测试数据
PW2051-芯片测试数据
486
2023-04-23
PW4555单节锂电池充电-芯片测试数据
PW4555单节锂电池充电-芯片测试数据
338
2023-04-23
PW4405四节锂电池充电-芯片测试数据
PW4405四节锂电池充电-芯片测试数据
435
2023-04-23
PW4243三节锂电池充电-芯片测试数据
PW4243三节锂电池充电-芯片测试数据
415
2023-04-23
PW4242两节锂电池充电-芯片测试数据
PW4242两节锂电池充电-芯片测试数据
391
2023-04-23
PW4203两节锂电池充电-芯片测试数据
其他测试资料: PW4203单节锂电池充电-芯片测试数据
417
2023-04-23
PW4203单节锂电池充电-芯片测试数据
PW4203单节锂电池充电-芯片测试数据
380
2023-04-23
PW4202两节锂电池充电-芯片测试数据
PW4202两节锂电池充电-芯片测试数据
350
2023-04-23
PW4065B单节锂电池充电-芯片测试数据
PW4065B单节锂电池充电-芯片测试数据
404
2023-04-23
PW4057H单节锂电池充电-芯片测试数据
PW4057H单节锂电池充电-芯片测试数据
563
2023-04-23
PW4056H单节锂电池充电-芯片测试数据
PW4056H单节锂电池充电-芯片测试数据
578
2023-04-23
PW4054单节锂电池充电-芯片测试数据
PW4054单节锂电池充电-芯片测试数据
498
2023-04-23
PW4053A三串锂电池充电-芯片测试数据
PW4053A三串锂电池充电-芯片测试数据
398
2023-04-23
PW4053M三节锂电池充电-芯片测试数据
PW4053M三节锂电池充电-芯片测试数据
524
2023-04-23
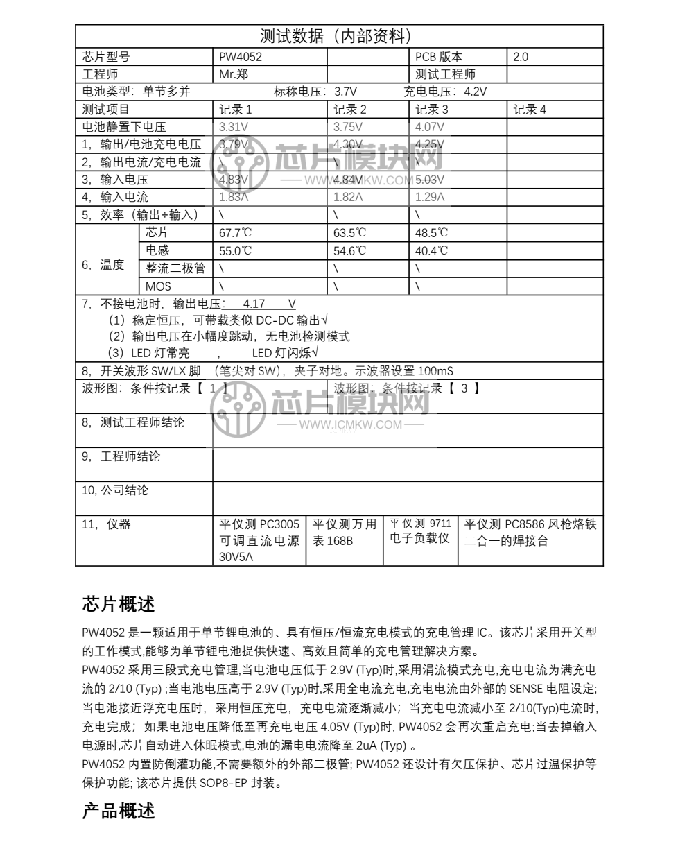
PW4052单节锂电池2A充电-芯片测试数据
PW4052单节锂电池2A充电-芯片测试数据
262
2023-04-23
PW4040四节磷酸铁锂充电-芯片测试数据
PW4040四节磷酸铁锂充电-芯片测试数据
273
2023-04-23
PW4040三节磷酸铁锂充电-芯片测试数据
PW4040三节磷酸铁锂充电-芯片测试数据
224
2023-04-23
PW4040三串锂电池充电 -芯片测试数据
PW4040三串锂电池充电 -芯片测试数据
161
2023-04-23
PW4040两串磷酸铁锂充电-芯片测试数据
PW4040两串磷酸铁锂充电-芯片测试数据
438
2023-04-23
PW4035单节锂电池充电-芯片测试数据
PW4035单节锂电池充电-芯片测试数据
472
2023-04-23
PW4000四节锂电池充电-芯片测试数据
PW4000四节锂电池充电-芯片测试数据
319
2023-04-23
PW4000四串磷酸铁锂充电-芯片测试数据
PW4000四串磷酸铁锂充电-芯片测试数据
401
2023-04-23
PW4000三串磷酸铁锂充电-芯片测试数据
PW4000三串磷酸铁锂充电-芯片测试数据
308
2023-04-23
PW4000三串锂电池充电-芯片测试数据
PW4000三串锂电池充电-芯片测试数据
页尾说明
移动访问