登录
注册
积分充值
简
繁
En
首页
芯片数据手册
芯片技术论坛
芯片应用
芯片模块商城
当前位置:
首页
规格书
规格书
时间
热度
25
2022-08-26
S6125-H-1.0A数据手册SMD封装SART(萨特)PDF规格书,中英文下载
29
2022-08-26
T6615-10KF数据手册-封装AmphenolPDF规格书,中英文下载
41
2022-08-26
RXEF010-2数据手册径向引线封装Littelfuse(美国力特)PDF规格书,中英文下载
49
2022-08-26
T3031-2-2K-24-P数据手册-封装AmphenolPDF规格书,中英文下载
67
2022-08-26
PTVSLC3D24VB数据手册SOD-323封装Prisemi(芯导)PDF规格书,中英文下载
42
2022-08-26
SYP20-A6SF6数据手册TO-39封装saiya(赛亚)PDF规格书,中英文下载
46
2022-08-26
SY-SRT0113数据手册TO-39封装saiya(赛亚)PDF规格书,中英文下载
41
2022-08-26
SYP10-A6106数据手册TO-39封装saiya(赛亚)PDF规格书,中英文下载
54
2022-08-26
PESDUC2XD5VBF数据手册DFN0603-2L封装Prisemi(芯导)PDF规格书,中英文下载
63
2022-08-26
SW-58020PWD-4A10B3数据手册插件封装XKBConnectivity(中国星坤)PDF规格书,中英文下载
38
2022-08-26
SW-58010PZDG-7A11S1数据手册插件封装XKBConnectivity(中国星坤)PDF规格书,中英文下载
38
2022-08-26
SW-58012PWD-4A9B1数据手册插件封装XKBConnectivity(中国星坤)PDF规格书,中英文下载
27
2022-08-26
SW-56010PD-30S1数据手册插件封装XKBConnectivity(中国星坤)PDF规格书,中英文下载
19
2022-08-26
ESD7L5.0DT5G数据手册SOT-723封装onsemi(安森美)PDF规格书,中英文下载
26
2022-08-26
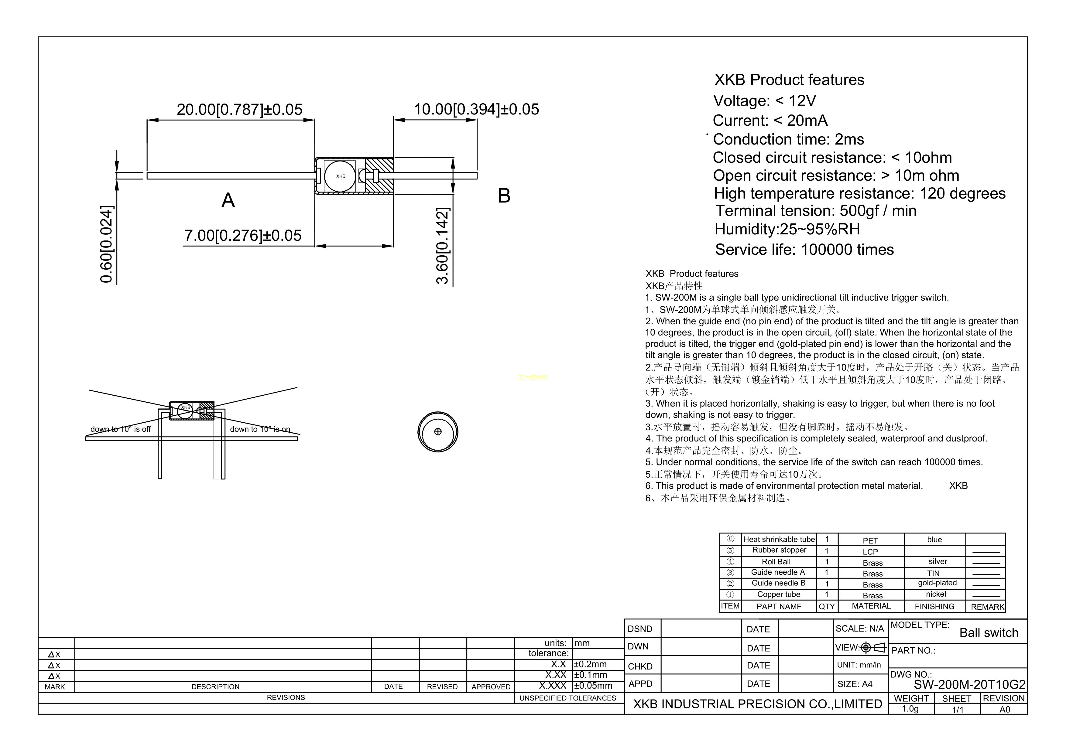
SW-200M-20T10G2数据手册-封装XKBConnectivity(中国星坤)PDF规格书,中英文下载
32
2022-08-26
SW-520DS-AB12G数据手册-封装XKBConnectivity(中国星坤)PDF规格书,中英文下载
84
2022-08-26
SW-200DW-17T3G数据手册-封装XKBConnectivity(中国星坤)PDF规格书,中英文下载
32
2022-08-26
SW-200M-14G15N数据手册插件封装XKBConnectivity(中国星坤)PDF规格书,中英文下载
21
2022-08-26
5KP5.0CA数据手册Axial封装Brightking(台湾君耀)PDF规格书,中英文下载
47
2022-08-26
SW-200D-15A10G数据手册-封装XKBConnectivity(中国星坤)PDF规格书,中英文下载
19
2022-08-26
5.0SMDJ33CA数据手册SMC封装Leiditech(雷卯电子)PDF规格书,中英文下载
42
2022-08-26
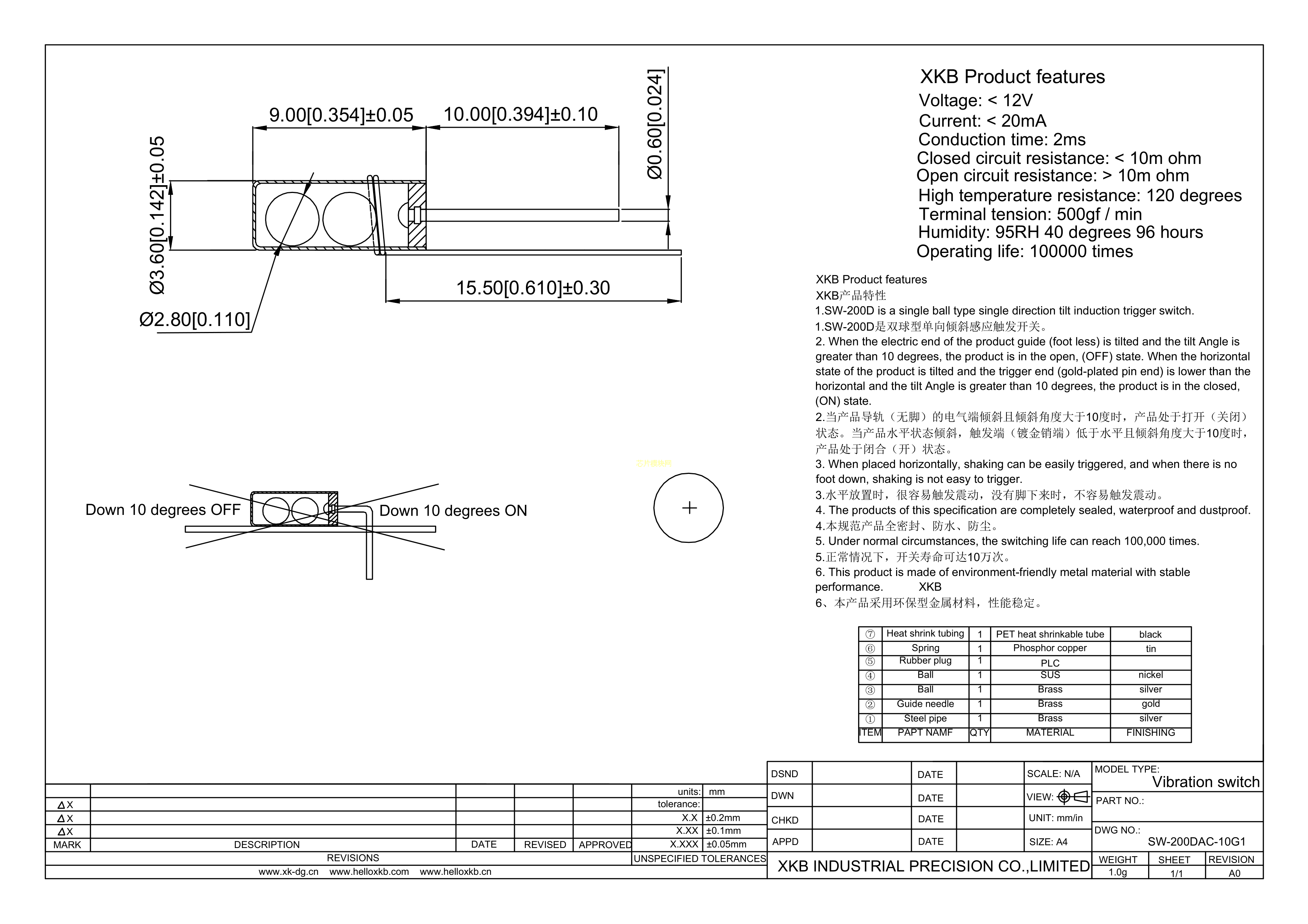
SW-200DAC-10G1数据手册-封装XKBConnectivity(中国星坤)PDF规格书,中英文下载
22
2022-08-26
1.5KE75CA数据手册DO-201封装Littelfuse(美国力特)PDF规格书,中英文下载
41
2022-08-26
SW-200CS-19G10G数据手册插件封装XKBConnectivity(中国星坤)PDF规格书,中英文下载
27
2022-08-26
1.5KE39A数据手册DO-201封装ST(意法半导体)PDF规格书,中英文下载
21
2022-08-26
STS-30-DIS数据手册DFN-8封装Sensirion(瑞士盛思锐)PDF规格书,中英文下载
23
2022-08-26
STK3337-X数据手册OLGA-8封装SENSORTEK(昇佳)PDF规格书,中英文下载
22
2022-08-26
SSCDJJN015PDAA3数据手册-封装Honeywell(霍尼韦尔)PDF规格书,中英文下载
31
2022-08-26
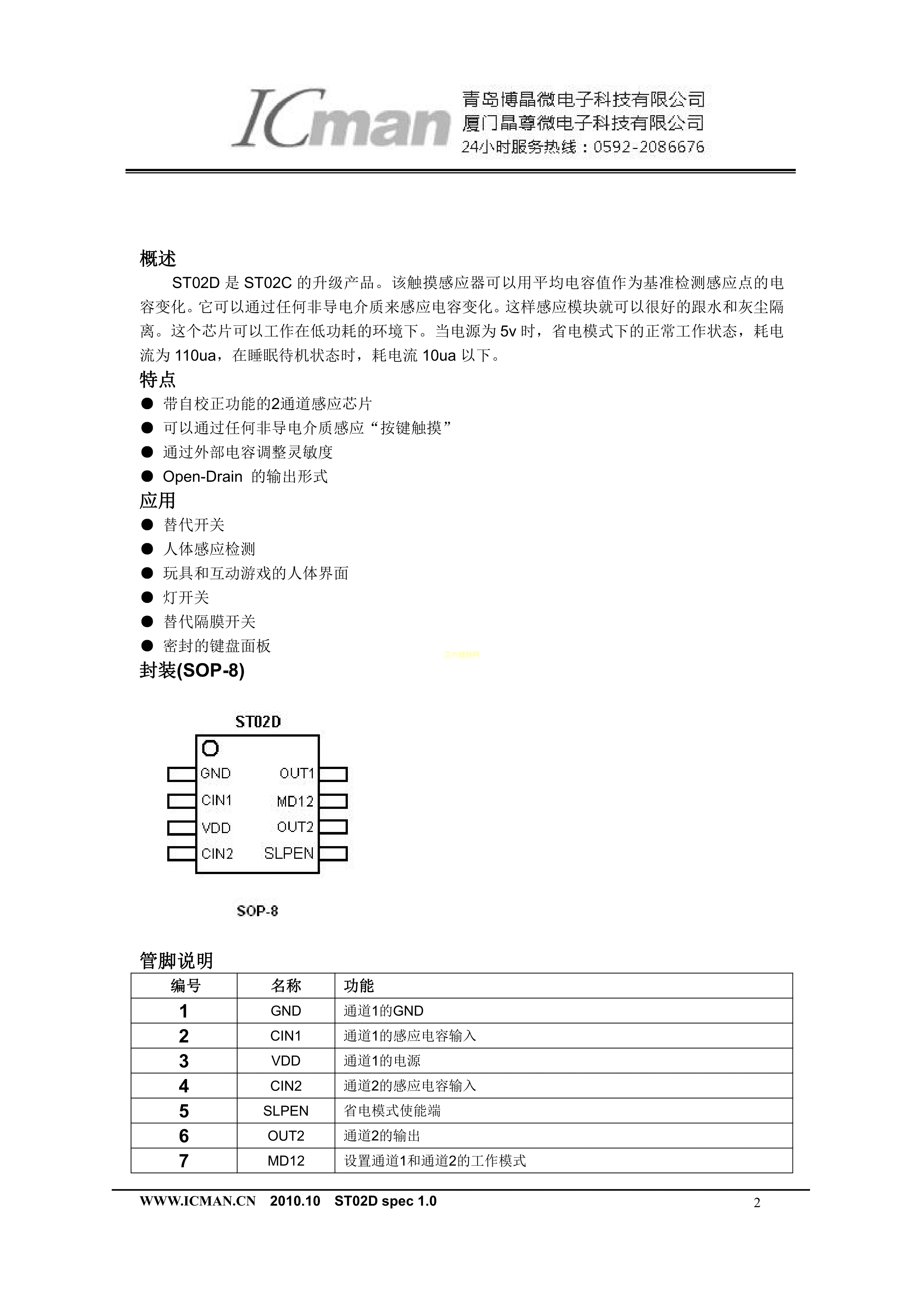
ST02D数据手册SOP-8_150mil封装icman(晶尊微)PDF规格书,中英文下载
27
2022-08-26
0AGC010.V数据手册管6.35x31.75mm封装Littelfuse(美国力特)PDF规格书,中英文下载
页尾说明
移动访问