登录
注册
积分充值
简
繁
En
首页
芯片数据手册
芯片技术论坛
芯片应用
芯片模块商城
当前位置:
首页
规格书
规格书
时间
热度
44
2022-08-26
RL0805A240K数据手册0805封装RUILON(瑞隆源)PDF规格书,中英文下载
41
2022-08-26
IAM-20680HP数据手册LGA-16(3x3)封装TDKInvenSense(应美盛)PDF规格书,中英文下载
42
2022-08-26
RHEF100-2数据手册径向引线封装Littelfuse(美国力特)PDF规格书,中英文下载
31
2022-08-26
HX6639IUA-D数据手册TO-92-3L封装HUAXIN(华芯)PDF规格书,中英文下载
37
2022-08-26
RF1512-000数据手册SMD封装Littelfuse(美国力特)PDF规格书,中英文下载
30
2022-08-26
RF1180-000数据手册SMD封装Littelfuse(美国力特)PDF规格书,中英文下载
32
2022-08-26
R60-030数据手册径向引线封装台湾陆海PDF规格书,中英文下载
46
2022-08-26
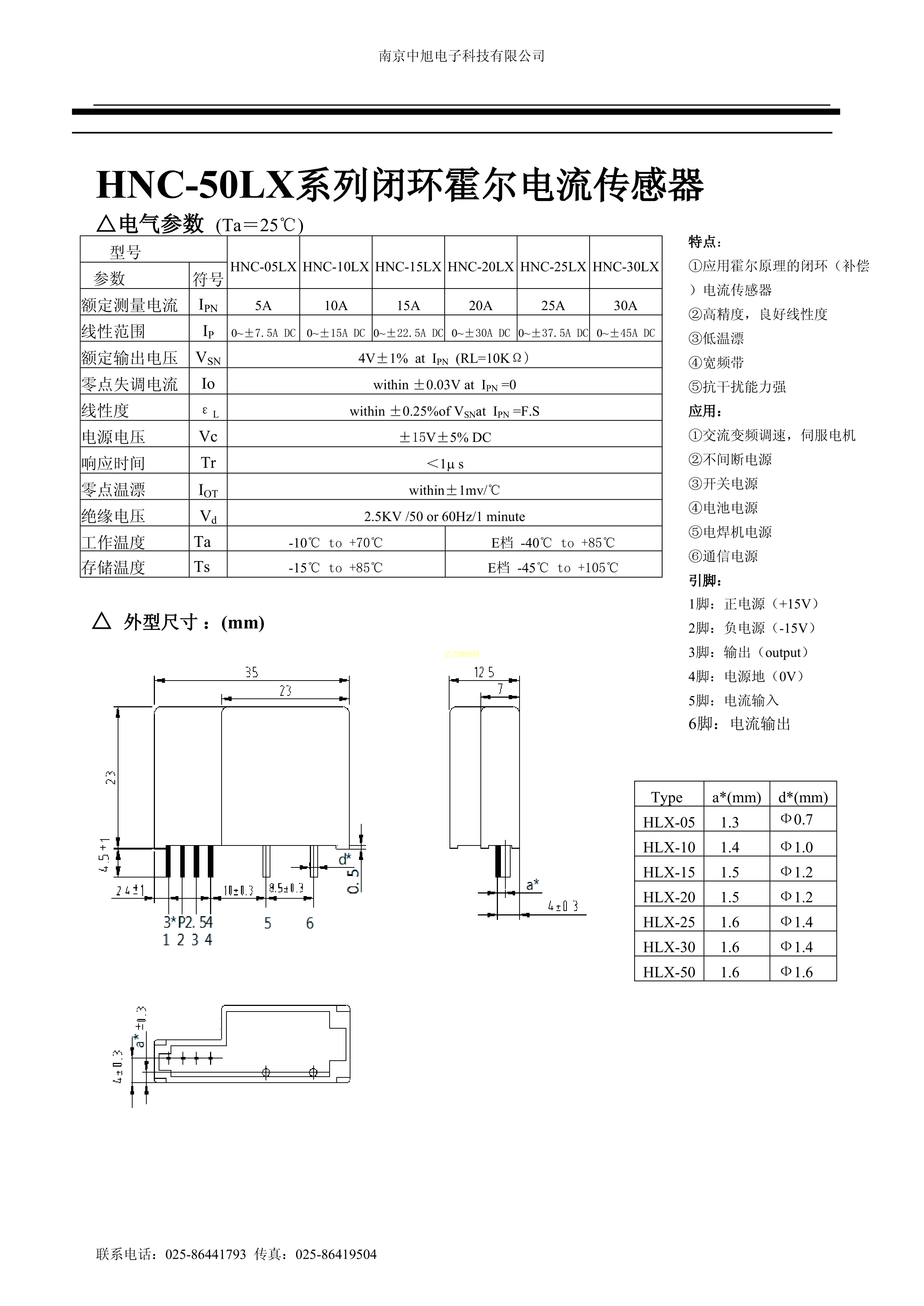
HNC-05LX数据手册ThroughHole封装中旭PDF规格书,中英文下载
50
2022-08-26
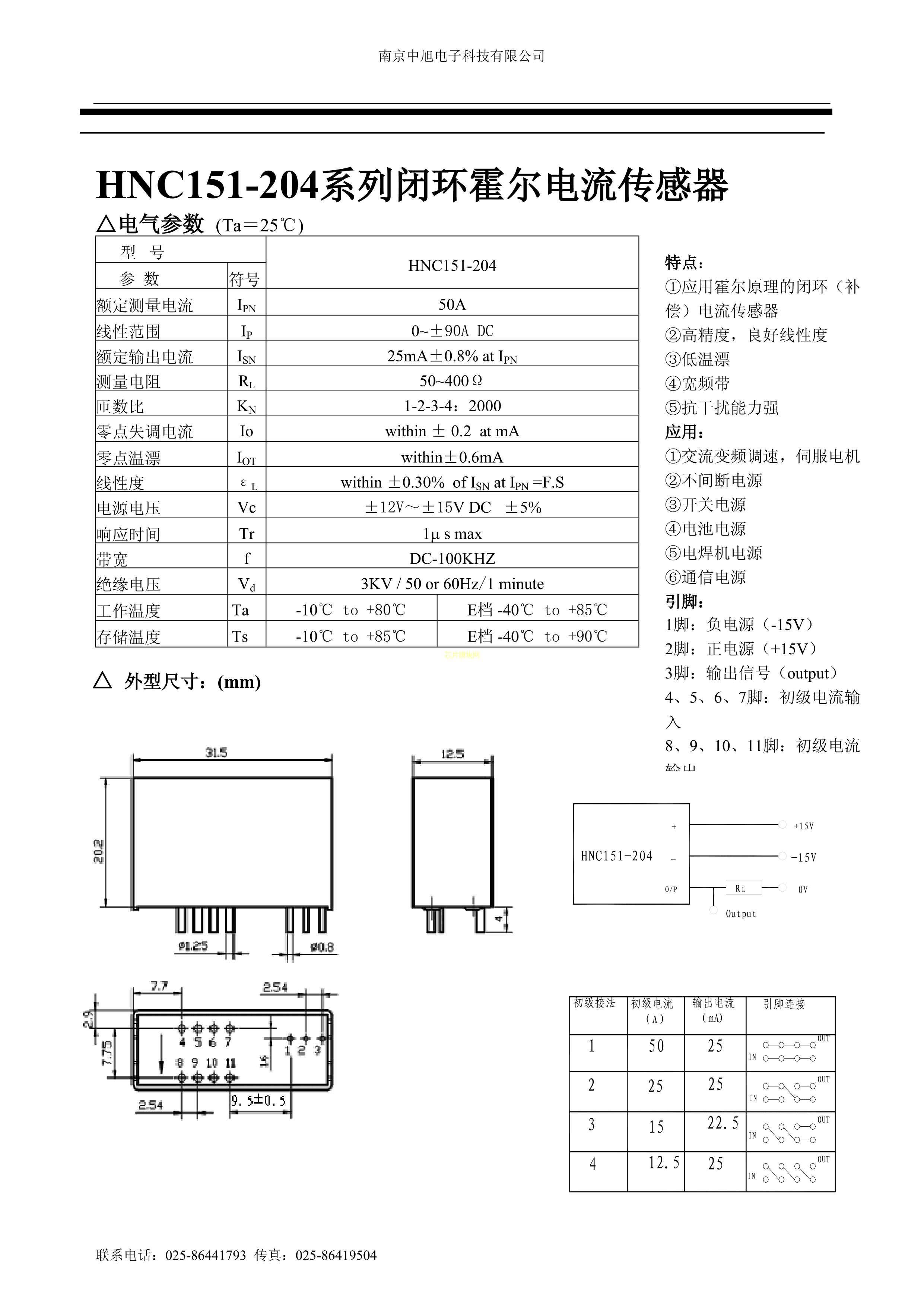
HNC151-204数据手册ThroughHole封装中旭PDF规格书,中英文下载
35
2022-08-26
Rclamp0502N-N数据手册DFN1109-6L封装BORN(伯恩半导体)PDF规格书,中英文下载
39
2022-08-26
PTU2A250V数据手册轴向引线3.6x10.5mm封装CONQUER(功得)PDF规格书,中英文下载
28
2022-08-26
HL504HP数据手册ThroughHole封装JCHL(晶创和立)PDF规格书,中英文下载
31
2022-08-26
PRG18BC2R2MM1RB数据手册0603封装muRata(村田)PDF规格书,中英文下载
25
2022-08-26
HIT500数据手册-封装HANGZHI(航智)PDF规格书,中英文下载
33
2022-08-26
PTR030V0800-BK1数据手册径向引线封装EATON(伊顿)PDF规格书,中英文下载
42
2022-08-26
HDC-100BS数据手册-封装中旭PDF规格书,中英文下载
37
2022-08-26
HAC830CVM数据手册-封装TDKPDF规格书,中英文下载
37
2022-08-26
PESD5Z5.0-N数据手册SOD-523封装BORN(伯恩半导体)PDF规格书,中英文下载
73
2022-08-26
GX103数据手册WCSP4封装GXCAS(中科银河芯)PDF规格书,中英文下载
38
2022-08-26
P5106UCLRP数据手册SMD-6封装Littelfuse(美国力特)PDF规格书,中英文下载
55
2022-08-26
GU1209C-40TGU1209C-40R数据手册ThroughHole封装INGHAi(赢海)PDF规格书,中英文下载
130
2022-08-26
P6SMBJ36CA-R1-00001数据手册SMB封装PANJIT(强茂)PDF规格书,中英文下载
47
2022-08-26
GU1007C-40TR数据手册ThroughHole封装INGHAi(赢海)PDF规格书,中英文下载
39
2022-08-26
P6SMB12A数据手册SMB(DO-214AA)封装FMS(台湾美丽微)PDF规格书,中英文下载
59
2022-08-26
ES2491ASUA数据手册TO-92S封装Innosen(易良盛)PDF规格书,中英文下载
58
2022-08-26
FLR600F数据手册-封装FUZETEC(台湾富致)PDF规格书,中英文下载
43
2022-08-26
ES1-O2-25-01数据手册ThroughHole封装ECSensePDF规格书,中英文下载
55
2022-08-26
FHT600-16F数据手册径向引线封装FUZETEC(台湾富致)PDF规格书,中英文下载
63
2022-08-26
ESDL2012MX4T5G数据手册DFN0603-2封装TECHPUBLIC(台舟)PDF规格书,中英文下载
51
2022-08-26
EE-SX670A数据手册-封装OMRON(欧姆龙)PDF规格书,中英文下载
页尾说明
移动访问